Украинский производитель Gavryliv Sons не нуждается в представлении: европейские материалы, высокое качество и надежность — неизменные спутники каминных топок от компании «Гаврилов и сыновья».
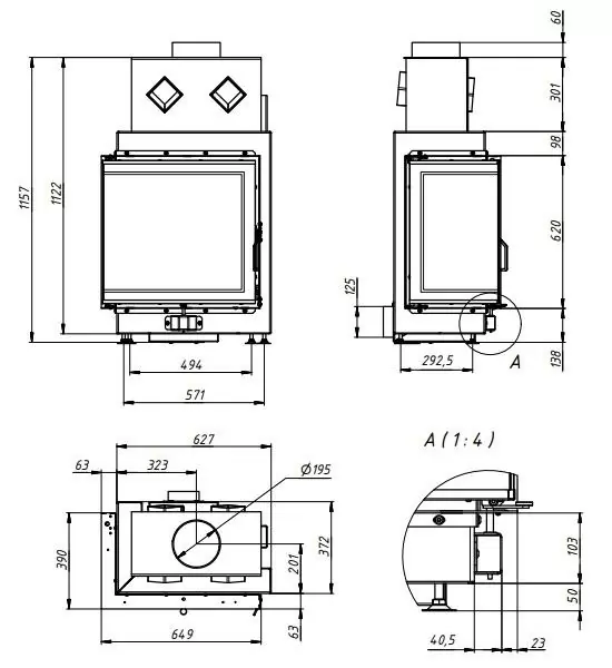
Воздушная угловая каминная топка Gavryliv Sons с размерами 64x39x62 см доступна для заказа в обеих вариациях — с правым или левым угловым стеклом, а также с футеровкой ребристым или гладким шамотом..
Данная топка обладает рядом преимуществ:
- аккуратное угловое стекло из двух плотно подогнанных друг к другу частей, позволяющее любоваться живым огнем из любой части комнаты;
- широкий формат топки для большей эстетичности камина;
- дверная рама из цельнотянутого профиля, повышающая прочность конструкции;
- глубокое дно, позволяющее избавиться от трудностей с частой уборкой камина;
- наличие двойного дефлектора, повышающее эффективность работы камина;
- система чистого стекла, предусматривающая подачу холодного воздуха по специальным каналам в дверной раме и создающая воздушную завесу, защищающую стекло от копоти, а также обеспечивающую вторичный дожиг дымовых газов;
- возможность подключения подачи воздуха как сбоку, так и снизу;
- надежный и долговечный механический механизм регулирования подачи воздуха;
- качественная, долговечная и эстетичная стеклокерамика SchottROBAX®;
- футеровка визуально эстетичным ребристым немецким шамотом Wolfshöher Tonwerke толщиной 40 мм;
- покрытие безопасной и экологичной жаростойкой краской Senotherm®.
К каждой модели доступны для заказа несколько вариантов ручек: ручка Слим (Стандарт), ручка Нож, ручка Пружинка. Базовой комплектацией предусмотрена ручка Слим. Стоимость Ножа и Пружинки по запросу.
При необходимости выполним установку и подключение каминной топки, а также облицовку Вашего камина или печи.







