Украинский производитель Gavryliv Sons не нуждается в представлении: европейские материалы, высокое качество и надежность — неизменные спутники каминных топок от компании «Гаврилов и сыновья».
Каминная топка «Gavryliv & Sons» 95x52WM с водяным контуром обладает рядом преимуществ:
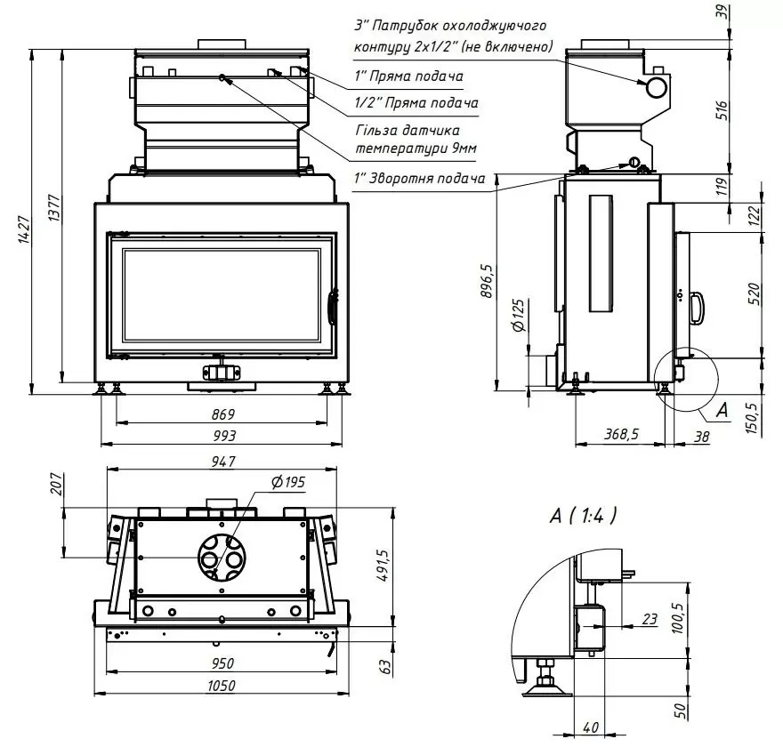
- наличие специального водяного модуля, подходящего на все топки серии WM (водяные) и ТМ (воздушные), что позволяет просто и быстро модифицировать Ваш камин из воздушного в водяной и наоборот, просто заменив модуль, а также обеспечивает легкую и удобную транспортировку и монтаж топки (принцип работы модульной топки от Gavryliv Sons — на фото 2);
- камера сгорания оснащена широкоформатным стеклом для наслаждения огнем из любого уголка помещения;
- данная модель доступна к заказу в модификации для воздушного (конвекционного) камина с прямым стеклом, с гильотиной и с туннелем (сквозная топка, удобная для обогрева и дизайна сразу нескольких смежных комнат);
- дверная рама из цельнотянутого профиля, повышающая прочность конструкции;
- глубокое дно, позволяющее избавиться от трудностей с частой уборкой камина и не требующее наличия зольного ящика;
- система чистого стекла, предусматривающая подачу холодного воздуха по специальным каналам в дверной раме и создающая воздушную завесу, защищающую стекло от копоти, а также обеспечивающую вторичный дожиг дымовых газов;
- наличие в топке охлаждающего контура, который, в случае превышения температуры воды установленного уровня, будет охлаждать основной водяной контур проточной водой (данная установка, соответственно, предполагает постоянный источник проточной воды, не зависящей от локальных энергоносителей);
- топка рассчитана на функционирование в открытой и закрытой системах (при этом открытую систему обоснованно считают наиболее безопасным способом подключения для оборудования на твердом топливе, поскольку даже в случае неконтролируемого горения и несрабатывания всех защитных систем, она позволяет обеспечить свободное кипение топки с выбросом избытка воды и/или водяного пара. При этом для восстановления работоспособности системы достаточно повторно заполнить ее водой);
- надежный и долговечный механический механизм регулирования подачи воздуха;
- качественная, долговечная и эстетичная стеклокерамика SchottROBAX®;
- дно топки футеровано немецким шамотом Wolfshöher Tonwerke для поддержания сверхвысоких температур горения (до 1110 ºС) и полного догорания топлива;
- покрытие безопасной и экологичной жаростойкой краской Senotherm®.
К каждой модели доступны для заказа несколько вариантов ручек: ручка Слим (Стандарт), ручка Нож, ручка Пружинка. Базовой комплектацией предусмотрена ручка Слим. Стоимость Ножа и Пружинки по запросу.
На любую модель каминной топки Gavryliv Sons, кроме угловой, возможна установка двойного стекла, цена по запросу (уточнять по телефону +380730661843).
При необходимости выполним установку и подключение каминной топки, а также облицовку Вашей печи или камина в Одессе и регионе.








