Украинский производитель Gavryliv Sons не нуждается в представлении: европейские материалы, высокое качество и надежность — неизменные спутники каминных топок от компании «Гаврилов и сыновья».
Данная топка обладает рядом преимуществ:
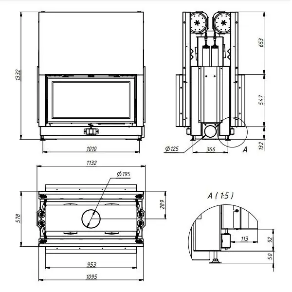
- широкоформатное стекло для наслаждения огнем из любого уголка помещения;
- нестандартная конфигурация топки для большей эстетичности камина и удобства его размещения в доме;
- механизм гильотины (поднятие дверцы вверх), позволяющий получить больше свободного пространства вокруг камина — с обеих сторон камина;
- туннельная (сквозная) камера сгорания, позволяющая воплощать в жизнь самые необычные дизайнерские решения в интерьере одного или нескольких помещений.
- дверная рама из цельнотянутого профиля, повышающая прочность конструкции;
- глубокое дно, позволяющее избавиться от трудностей с частой уборкой камина;
- наличие верхнего модуля, повышающее эффективность съема тепла с дымовых газов и его дальнейшее равномерное распределение;
- система чистого стекла, предусматривающая подачу холодного воздуха по специальным каналам в дверной раме и создающая воздушную завесу, защищающую стекло от копоти, а также обеспечивающую вторичный дожиг дымовых газов;
- возможность подключения подачи воздуха как сбоку, так и снизу;
- надежный и долговечный механический механизм регулирования подачи воздуха;
- качественная, долговечная и эстетичная стеклокерамика SchottROBAX®;
- футеровка элегантным ребристым немецким шамотом Wolfshöher Tonwerke толщиной 40 мм;
- покрытие безопасной и экологичной жаростойкой краской Senotherm®.
Данная модель топки также доступна для заказа с гладким шамотом, а также без туннеля (с прямым стеклом и гильотиной).
К каждой модели доступны для заказа несколько вариантов ручек: ручка Слим (Стандарт), ручка Нож, ручка Пружинка. Базовой комплектацией предусмотрена ручка Слим. Стоимость Ножа и Пружинки по запросу.
На любую модель каминной топки Gavryliv Sons, кроме угловой, возможна установка двойного стекла, цена по запросу (уточнять по телефону +380730661843).
При необходимости выполним установку и подключение каминной топки, а также облицовку Вашей печи или камина в Одессе и регионе.







